 Technical Description: The 14 series (based on the 26 series) is a rugged single- hand operated quick connect coupling made of brass. The interchangeability with ARO 210 allows a variety of applications.
Applications: Air tools, autmotive, compressed air, mechanical engineering, compressors.
Advantages: Rugged brass coupling, underpinning of O-ring as well as single hand operated, multitude of connecting options.
Interchangeability: ARO 210, PARKER 50, CEJN 300, ORION 44510, RECTUS 22, and various Swiss products.
Working Pressure: PB = 35 bar, maximum static working pressure with safety factor of 4 to 1.
Working Temperature:* -20°C up to +100°C (Buna N) -40°C up to +120/150°C (EPDM) -15°C up to +200°C (Viton®) depending on the medium.
*At a temperature below -20°C and above +150°C special seals are available on request.
Doorstroming diagram - Lucht | Doorstroming diagram - Water | 
| 
|
Koppeling | Con. A | Hex | L | D | L1 | L2 | Hex1 | B | G | Materiaal |
 | 1/4" NPT | .86 | 1.81 | 1.06 | .47 | | | | | Standaard Design | | | | | | | | | | Vernikkeld | 3/8" NPT | .86 | 1.81 | 1.06 | .47 | | | | | Standaard Design | | | | | | | | | | Vernikkeld | G 1/2" | 22 | 46 | 27 | 12 | | | | | Standaard Design | | | | | | | | | | Vernikkeld | | | | | | | | | | | |
 | 1/4" NPSF | .86 | 1.92 | 1.06 | .66 | | | | | Standaard Design | | | | | | | | | | Vernikkeld | 3/8" NPSF | .86 | 2.06 | 1.06 | .55 | | | | | Standaard Design | | | | | | | | | | Vernikkeld | G 1/2" | 24 | 46 | 27 | 12 | | | | | Standaard Design | | | | | | | | | | Vernikkeld | | | | | | | | | | | |
 | 1/4" | .82 | 1.36 | 1.06 | .98 | | | | | Standaard Design | | | | | | | | | | Vernikkeld | 5/16" | .82 | 1.36 | 1.06 | .98 | | | | | Standard Design | | | | | | | | | | Vernikkeld | 3/8" | .82 | 1.36 | 1.06 | .98 | | | | | Standaard Design | | | | | | | | | | Vernikkeld | 1/2" | .82 | 1.36 | 1.06 | .98 | | | | | Standaard Design | | | | | | | | | | Vernikkeld |
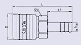
Nippel | Con. A | Hex | L | D | L1 | L2 | Hex1 | B | G | Materiaal |  | 1/4" | | 1.29 | .47 | .98 | | | | | Standaard Design | 5/16" | | 1.29 | .47 | .98 | | | | | Vernikkeld | 3/8" | | 1.29 | .47 | .98 | | | | | Standaard Design | 1/2" | | 1.29 | .47 | .98 | | | | | Vernikkeld |
Nippel | Con. A | Hex | L | D | L1 | L2 | Hex1 | B | G | Materiaal |  | 1/4" NPT | .55 | 1.61 | | .47 | | | | | Standaard design | 3/8" NPT | .66 | 1.61 | | .47 | | | | | Vernikkeld | | | | | | | | | | | |  | 1/4" NPSF | .66 | 1.65 | | .51 | | | | | Standaard design | 3/8" NPSF | .74 | 1.71 | | .55 | | | | | Vernikkeld |
|