 Technical Description: The 13 series has been developed based on the 26 series design. Unlike the disposable couplings common on the Asian market, it is made of brass and offers practical single hand operation.
Applications: Air tools, autmotive, compressed air, mechanical engineering, compressors. Nominal Plug Bore: .30"
Advantages: Due to the structural advantages offered by the pin locking system, rust and corrosion is eliminated. Good flow performance and a multitude of connecting options. The single hand operation and the reduced weight are importanat advantages, especially when used by female workers.
Interchangeability: RECTUS 03, NITTO-KOHKI 200, CEJN 314.
Working Pressure: 500 psi, maximum static working pressure with safety factor 4 to 1.
Working Temperature:* -4°F up to +210°F (Buna N) -40°F up to +250/300°F (EPDM) +5°F up to +400°F (Viton®) depending on the medium.
*At a temperature below -4°F and above +300°F special seals are available on request.
Doorstroming diagram - Lucht | Doorstroming diagram - Water | 
| 
|
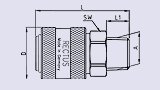
Koppeling | Con. A | Hex | L | D | L1 | L2 | Hex1 | B | G | Materiaal |

| .86 | 1.85 | 1.06 | .47 | | | | | | Standaard design | | | | | | | | | | Vernikkeld | 3/8" NPT | .86 | 1.77 | 1.06 | .47 | | | | | Standaard design | | | | | | | | | | Vernikkeld | 1/2" NPT | .86 | 1.94 | 1.06 | .66 | | | | | Standaard design | | | | | | | | | | Vernikkeld | | | | | | | | | | | |
 | 1/4" NPSF | .86 | 1.96 | 1.06 | .66 | | | | | Standaard design | | | | | | | | | | Vernikkeld | 3/8" NPSF | .86 | 2.10 | 1.06 | .55 | | | | | Standaard design | | | | | | | | | | Vernikkeld | 1/2" NPSF | .94 | 2.26 | 1.06 | .72 | | | | | Standaard design | | | | | | | | | | Vernikkeld | | | | | | | | | | | |
 | 1/4" | .82 | 2.44 | 1.06 | .98 | | | | | Standaard design | | | | | | | | | | Vernikkeld | 5/16" | .82 | 2.44 | 1.06 | .98 | | | | | Standaard design | | | | | | | | | | Vernikkeld | 3/8" | .82 | 2.44 | 1.06 | .98 | | | | | Standaard design | | | | | | | | | | Vernikkeld | 1/2" | .82 | 2.44 | 1.06 | .98 | | | | | Standaard design | | | | | | | | | | Vernikkeld |
Nippel | Con. A | Hex | L | D | L1 | L2 | Hex1 | B | G | Materiaal |  | 1/4" | | 1.89 | .59 | .98 | | | | | Standaard design | 5/16" | | 1.89 | .59 | .98 | | | | | Standaard design | 3/8" | | 1.89 | .59 | .98 | | | | | Standaard design | 1/2" | | 1.89 | .59 | .98 | | | | | Standaard design |
Nippel | Con. A | Hex | L | D | L1 | L2 | Hex1 | B | G | Materiaal |  | 1/4" NPSF | .66 | 1.26 | | .51 | | | | | Standaard design | 3/8" NPSF | .74 | 1.29 | | .55 | | | | | Standaard design | | | | | | | | | | | |  | 1/2" NPT | .55 | 1.45 | | .47 | | | | | Standaard design | 3/8" NPT | .66 | 1.45 | | .47 | | | | | Standaard design | 1/2" NPT | .86 | 1.73 | | .66 | | | | | Standaard design |
|